Рамный каркас в районе с высокой сейсмичностью

Ключевая сложность в рассматриваемом проекте — высокая сейсмичность площадки строительства, оцениваемая в 9 баллов. Такие условия предъявляют повышенные требования к надежности и жесткости несущей конструкции. Ниже рассмотрим, какое инженерное решение было принято проектировщиком.

Исходные данные

  • Здание сортировочного комплекса для ТБО (твердых бытовых отходов).
  • Площадка строительства расположена в Казахстане.
  • Сетка колонн здания — 18х6 м.
  • Высота по карнизу — 9 м.
  • Сейсмичность площадки строительства 9 баллов.
  • Расчет по СП РК EN (Еврокод).

Выбор расчетной схемы

Проектировщик решил применить стальной каркас на основе портальных рам. Схема работы — рамно-связевая.

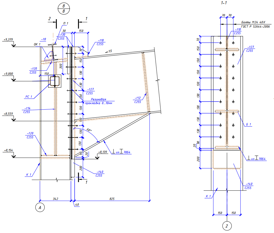
Узел соединения ригеля и колонны — жесткий, с вутами. Крепление колонн к фундаменту выполнено жестким, в обоих направлениях.

Изометрический вид каркаса здания Рисунок 1 — Изометрический вид каркаса здания

Почему выбран рамный каркас, а не классическое решение с шарнирно опертыми фермами?

Поперечные рамы с жестким коленом выбраны из-за высокой сейсмичности площадки строительства. Жесткий диск в уровне покрытия имеет бóльшую жесткость в случае рамного каркаса здания, в сравнении со стропильными фермами, где связи располагаются в 2-х уровнях — по верхнему и нижнему поясам. Это позволяет уменьшить перемещения от кручения при сейсмической нагрузке.


Перемещения от кручения при сейсмических воздействиях — это горизонтальные смещения, вызванные вращением конструкции вокруг вертикальной оси, в дополнение к линейным смещениям.

Колонны жестко крепятся к фундаменту в обоих направлениях по той же причине — для снижения перемещений при сейсмической нагрузке. Для сравнения, изменение статической схемы рамы (замена шарнирного опирания стоек на жесткое в плоскости рамы) позволяет уменьшить горизонтальные деформации в 4-6 раз. Однако, это приводит к увеличению нагрузок на фундаменты и их удорожанию.

Преимущества рамных конструктивных систем при сейсмических нагрузках

  • Высокая степень статической неопределимости.
    Портальная рама является статически неопределимой системой. Это означает, что образование одного или нескольких пластических шарниров (обычно на концах балок) не приводит к обрушению системы, а позволяет перераспределить нагрузки.
  • Повышенное сопротивление кручению.
    Жесткие рамы, особенно симметричные, обеспечивают сбалансированное распределение жесткости в плане, что снижает риск возникновения крутильных колебаний в числе первых форм колебаний.

Рамно-связевый каркас из прокатного двутавра

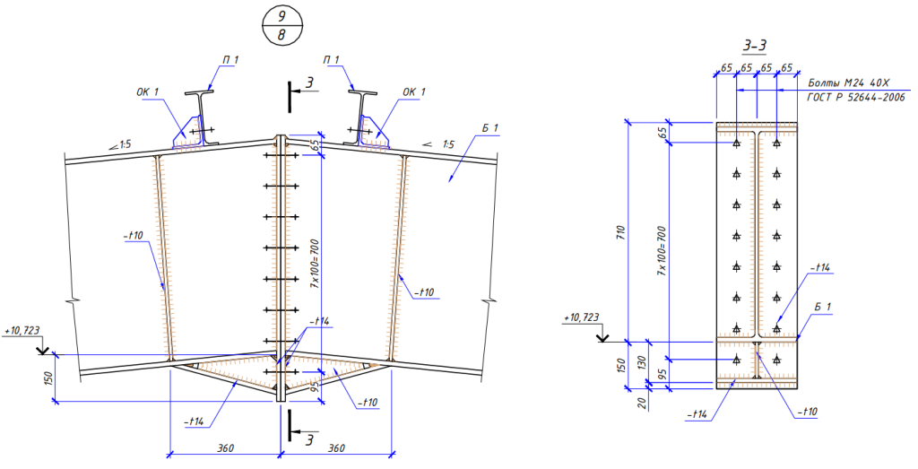
Поперечные рамы приняты из прокатных двутавров. Прокатный двутавр позволяет выполнить элементы постоянной жесткости по длине сечения. Переменная жесткость создается благодаря введению локальных элементов усиления — вутов. Вуты используются для колена рамы и конькового узла. Благодаря местному увеличению поперечного сечения ригеля, узлы способны воспринять изгибающий момент.

Вуты могут выполняться как из сварных тавров, так и из распущенного прокатного двутавра (обычно используют тот же типоразмер двутавра, что и в ригеле).

В рассматриваемом проекте принято развитое сечение ригеля, поэтому не было необходимости в большой длине вута в зоне колена (в зоне наибольшего изгибающего момента в раме). Его длина составляет всего лишь 1/20 от пролета рамы. Мы рекомендуем принимать длину вута не менее 1/10 пролета, это позволит использовать меньшее сечение для ригеля (как, например, в этом проекте Завод по производству стальных конструкций в Московской области).

Поперечная рама Рисунок 2 — Поперечная рама (вуты условно не показаны)

Узел колена Рисунок 3 — Узел колена

Коньковый узел Рисунок 4 — Коньковый узел

Применение прокатного двутавра обусловлено несколькими причинами:

  • Широкое распространение прокатных профилей в регионе строительства.
  • Заказчик был заинтересован в минимальных сроках строительства, и применение прокатных профилей обеспечило сокращение времени на изготовление металлического рамного каркаса.

Результаты

Применение рамного каркаса позволило сократить деформации от сейсмической нагрузки и реализовать этот проект в сжатые сроки.

Поперечные рамы из прокатного двутавра просты в производстве — имеют меньшую трудоемкость изготовления каркаса. Также, по нашей оценке, монтаж здания с портальными рамами в 4-5 раз быстрее относительно варианта с фермами покрытия, такой эффект достигается за счет меньшего числа элементов и соединений, а также упрощенной схемы монтажа. В результате сроки реализации объекта для заказчика были существенно уменьшены.

Многоуровневый паркинг со стальным каркасом. Сравнение эффективности и прибыльности для девелопера Многоуровневый паркинг со стальным каркасом. Сравнение эффективности и прибыльности для девелопера
Инженерный разбор конструктивной схемы многоуровневого паркинга на стальном каркасе. Показываем, как принятые конструктивные решения формируют геометрию этажей, влияют на планировку и упрощают реализацию проекта
Замена поясов ферм пролетом 50 метров Замена поясов ферм пролетом 50 метров
Оптимизация сечений поясов балочного перехода за счёт перехода со спаренных уголков на прокатные двутавры С390, снижение металлоёмкости, трудоёмкости изготовления и рисков срыва сроков проекта
Оптимизация огнезащитных мероприятий в производственном здании Оптимизация огнезащитных мероприятий в производственном здании
Как за счёт подбора сечений с требуемой приведённой толщиной отказаться от огнезащиты металлоконструкций и сократить стоимость каркаса без нарушения требований по огнестойкости. Реальный кейс с расчётами и экономическим эффектом.
Не нашли ответ на свой вопрос?
Напишите нам. Наши инженеры готовы обсудить задачу и дать профессиональную консультацию
На сайте используются cookie-файлы, которые помогают показывать Вам самую актуальную информацию. Продолжая пользоваться сайтом, Вы даете согласие на использование ваших метаданных и Cookie-файлов.
ИИ помощник
ИИ помощник
Онлайн-чат, обеспечивающий беспрепятственное и естественное общение и взаимодействие.
Задайте вопрос
Как рассчитать фланцевое соединение?
Как спроектировать фланцевое соединение?
Как рассчитать вес колонны?
Ваш ИИ-помощник
С помощью этого чата вы можете задавать вопросы и получать статьи, используя помощника на основе искусственного интеллекта.
Предложения по вопросам, которые можно задать нашему помощнику:
Как рассчитать фланцевое соединение?
Для расчета фланцевого соединения необходимо учитывать конструктивные и расчетные требования, установленные в СП 16.13330.2017 и СП 70.13330.2012.
Как спроектировать фланцевое соединение?
Для проектирования фланцевого соединения необходимо: Определить классификационные признаки и описание фланцевого соединения (ФС) в соответствии с п. 15.9.3 СП 16.13330.2017
Как рассчитать вес колонны?
Для расчета веса колонны можно использовать специализированные сервисы, которые выполняют подбор сечения колонн из двутавра для бескрановых и крановых зданий. Эти сервисы учитывают современные нормы и правила, такие как СП 16.13330.2017 и СП 20.13330.2016.